西馬格中國公司 歡迎您進入www.rwfspf.com

產品分類

直交軸傘齒輪減速機750W

直交軸傘齒輪減速機750W

西馬格SY系列直交軸減速器特點:

一,蝸桿減速器的噪聲低和傘式齒輪減速器的效率高,準雙曲面齒輪的設計采取其全部優點,使其噪音更低,效率更高。

二,蝸輪蝸桿相比,西馬格直交軸減速器有相同的輸出功率、更小的體積和更輕的重量。

三,與蝸輪蝸桿齒輪箱相比,蝸輪減速機的蝸輪采用黃銅制造,一般不會熱處理,相對來說比較柔軟。

四,安裝形式多樣,可配備多種電機。特別適用于低功率、高安裝空間的場所。

五,安裝更方便:新型SY直交軸減速器采用方形安裝面安裝,四個安裝螺栓孔也采用方形布置。即使安裝孔由水平安裝改為垂直安裝,也無需改變安裝孔的位置。

直交軸傘齒輪減速機

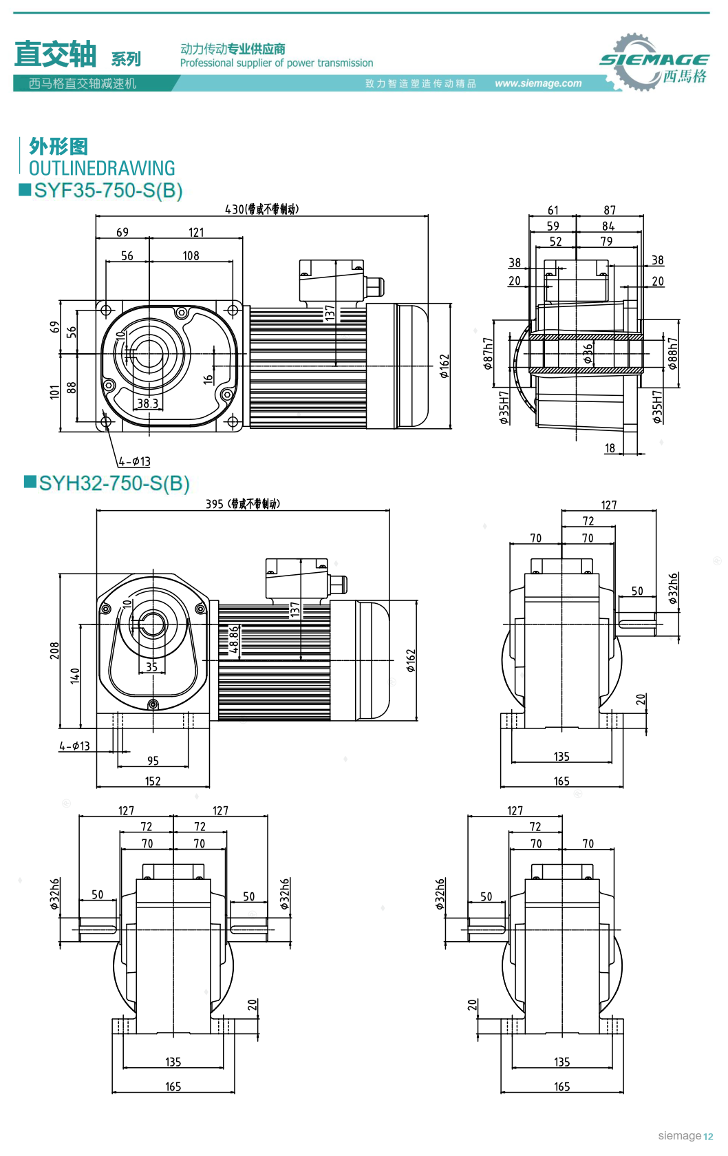
直交軸傘齒輪減速機尺寸

直交軸傘齒輪減速機

直交軸傘齒輪減速機750W



西馬格官網 德國西馬格 伺服行星減速機

西馬格動力科技有限公司

全 國 熱線:400-990-7385郵編:314011

浙江西馬格:18357212618

福建西馬格:18160919225

廣東西馬格:18302020760

郵箱:postmaster@siemage.com網 址:http://www.rwfspf.com

Copyright ? 2003 西馬格動力科技有限公司 All Rights Reserved. 浙ICP備2003000505號-1